产品详情说明

SBR 直线滑动单元滑块系列

SBR 直线滑动单元滑块系列

SBR Linear Motion Ball Slide Units Series
SBR 系列尺寸
3D 产品渲染图 Render
SBR 产品图
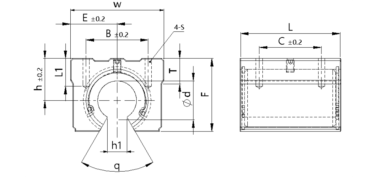
CAD 工程尺寸图 Drawing
SBR 工程图

与金属滚珠直线轴承有一致的尺寸,可替换使用,该系列尺寸为公制。

靴衬材料为复合超高分子量聚乙烯(UHMW-PE)。

型号 滑块尺寸
d d 公差 h E W L F h1 q B C S L1 T
SBR1212-0.217.520.54139287.580°2826M5109
SBR1313-0.21720403927.68.580°2828M5108
SBR1616-0.22022.54545331080°3230M5129
SBR2020-0.223244850391060°3535M61211
SBR2525-0.3273060654711.550°4040M61214
SBR3030-0.333357070561450°5050M81815
SBR3535-0.337408080631650°5555M81818
SBR4040-0.342459090721950°6565M102020
SBR5050-0.35360120110922350°9480M102025

复合材质滑块技术特性

TECH SPEC: S-UHMWPE-AL
滑动内芯 超高分子量聚乙烯 (UHMW-PE) 分子量 > 300 万 免维护自润滑:极低的摩擦系数(< 0.1),无需添加润滑脂,避免油污污染。
超强耐磨:耐磨性是碳钢的 7 倍,极大延长使用寿命。
外部壳体 高强度铝合金 (6061-T6 / 7075) 表面阳极氧化处理 轻量化高刚性:提供稳固的机械支撑,重量仅为同规格钢制滑块的 1/3。
耐腐蚀:阳极氧化层有效抵抗氧化和环境腐蚀。
综合性能 复合结构设计 过盈配合 / 嵌入式 静音运行:塑胶内芯有效吸收振动和噪音,运行平稳。
不伤导轨:即使在过载情况下,软性接触面也不会划伤昂贵的金属导轨。
总结: 该组合完美解决了传统金属滑块噪音大、需频繁注油的问题,同时避免了纯塑料滑块强度不足的缺陷, 是自动化设备、食品机械及包装产线的理想选择。

相关产品推荐

LM直线轴承系列
查看详情

LM直线轴承系列

HGH系列线性直线导轨滑块
查看详情

HGH系列线性直线导轨滑块